- 概要
CATV・FM・VHF・UHF・BS・CS のテレビ信号を伝送する壁面埋込・シールド型 直列ユニットです。
優良住宅部品(BL) に対応しています。
特長
(1)4K・8K 衛星放送に対応
伝送周波数が 3224MHz まで伝送できるため、4K・8K 衛星放送に対応しています。
(2)IN 端子可動型
IN 端子は 180°以上動きますから、狭いアウトレットボックスの中でも
F 型コネクターが容易に取付けられ、ケーブルの多様な引き込み状況に対応できます。
また、ケーブルが短くなったときにも、端子の向きを変えることにより最短距離で接続
できますから、施設の改修工事が容易です。
(3) 優れた電磁波妨害(EMI)遮へい効果
F 型端子とハウジングを一体化した亜鉛ダイカストケースを使用して、裏ブタを圧入装着
するマスプロ独自の方式ですから、密閉構造に優れ、電磁波妨害(EMI)遮へい効果は抜群
です。
(4) RoHS 指令対応
EU(欧州連合)での電気・電子機器における特定有害物質の使用制限(RoHS 指令)に
適合しています。
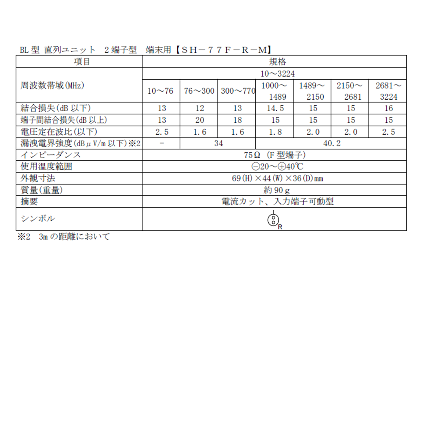
- 対応 BL 型式:SH-77F-R 、 CS-77F-RWE
この商品に寄せられたレビューはまだありません。

